1/2 Inch Polyprolene Bolted

AOD 150 AF PP

TYPICAL INDUSTRIES

Mining, Paints and Coating, Ceramics, Pulp and Paper, Electroplating & Anodizing, Waste water, Marine, Chemical Manufacturing & Distribution, Oil & Gas, Food & Beverage, OEM'S

AIR VALVE ASSEMBLY OPTIONS

SPECIFICATIONS

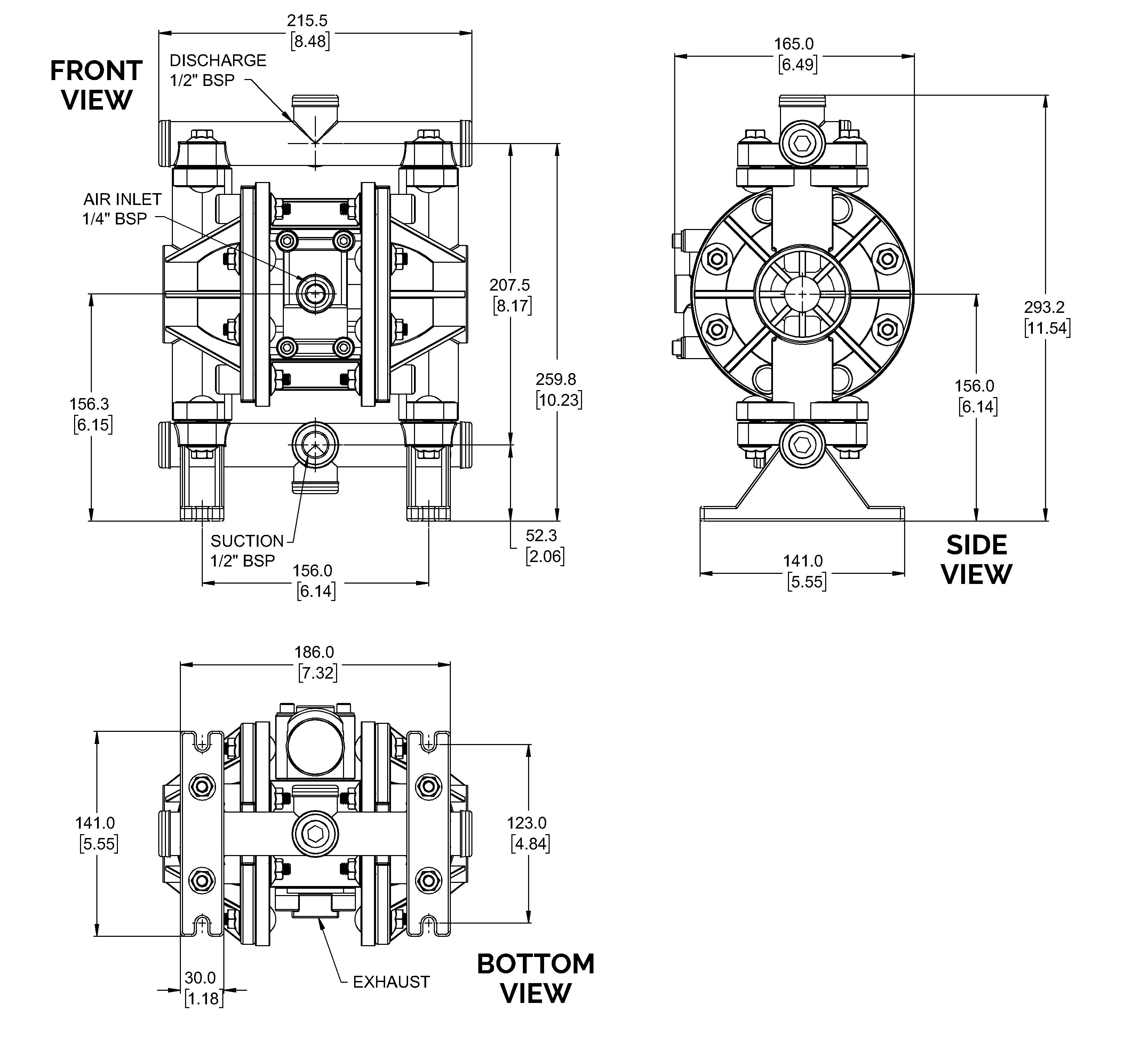
Suction & Discharge Size
1/2" X 1/2"
Standard Porting Location
centre
Connection Types
BSP / NPT
Air Inlet & Air Exhaust Size:
6mm( 1/4 ")
Maximum Flow Rate
49.2lpm(13gpm)
Maximum Air Supply Pressure
100 psi (6.9 bar)
Displacement Per Stroke
0.15l (0.04 gal)
Maximum Particle Size
2.4mm(3/32")
Suction Dry:
4.5m(15')

PERFORMANCE CHART

Note: Full Stroke diaphragm allows performance to be equal for all elastormers.

CONSTRUCTION

Wetted Materials
Polypropylene
Diaphragm Materials
Buna-N,Neoprene, Santoprene, Hytrel, PTFE, Polyurethane.
Air Valve
Polypropylene
Ball Materials
PTFE. Neoprene, 316SS.
Seat Materials
Polypropylene
O-ring Materials
Neoprene, PTFE, EPDM

Santoprene™ is a registered tradename of Exxon Mobile Corp.
Hytrel® is a registered tradename of dupont™

SHIPPING

Maximum Height
340mm(13.39")
Maximum Width
240mm(9.45")
Maximum Depth
270mm(10.63")
Weight: Polypropylene
5.5 Kg

DIMENSIONS

LITERATURE