1 Inch Stainless Steel Bolted

AOD 250 PF SS

TYPICAL INDUSTRIES

Mining, Paints and Coating, Ceramics, Pulp and Paper, Electroplating & Anodizing, Waste water, Marine, Chemical Manufacturing & Distribution, Oil & Gas, Food & Beverage, OEM'S

AIR VALVE ASSEMBLY OPTIONS

SPECIFICATIONS

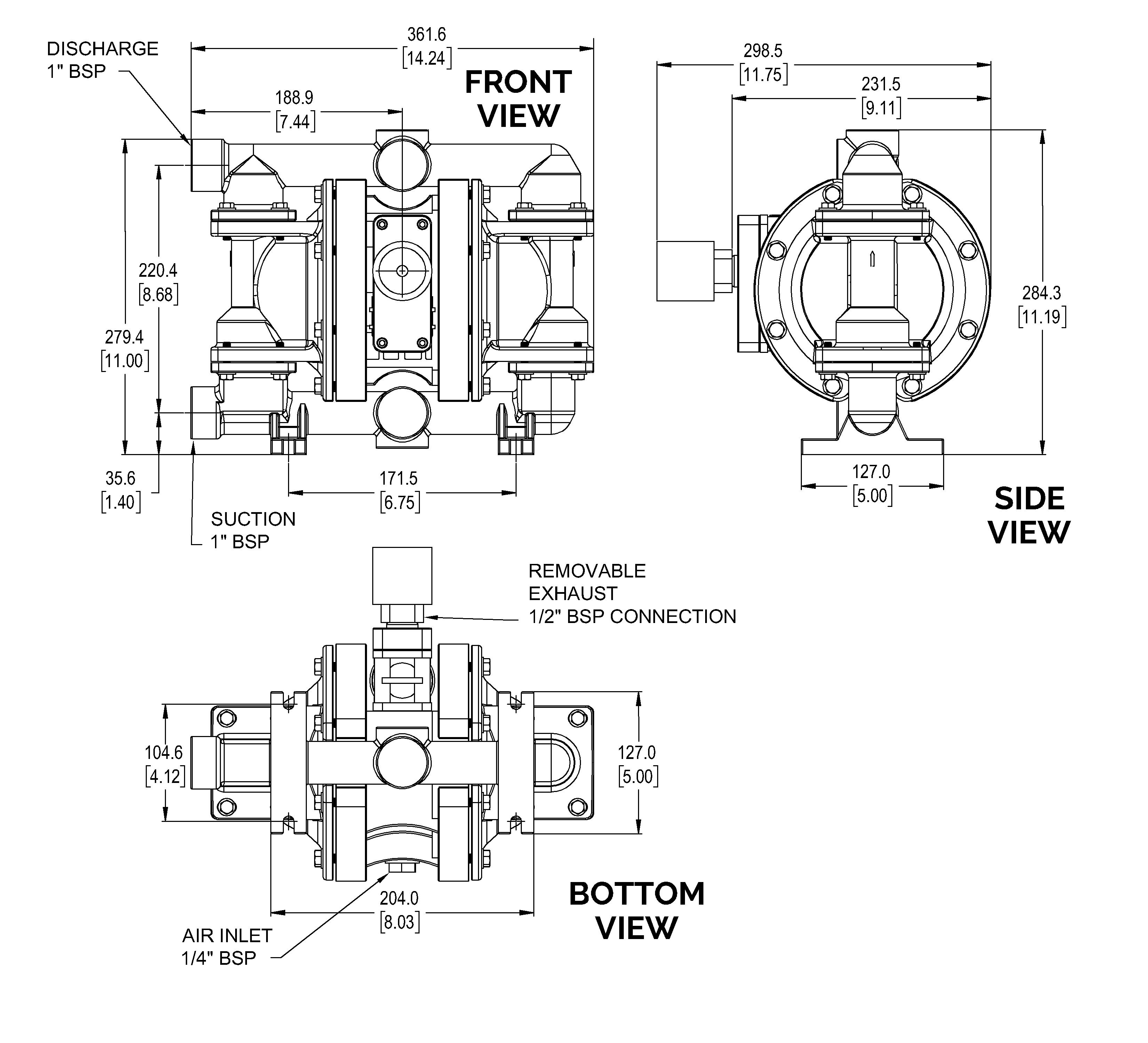
Suction & Discharge Size
1" X 1"
Standard Porting Location
End
Connection Types
BSP
Air Inlet & Air Exhaust Size:
6mm( 1/4 ") X 13mm 1/2"
Maximum Flow Rate
212lpm(56gpm)
Maximum Air Supply Pressure
120 psi (8.3 bar)
Displacement Per Stroke
0.26l (0.07 gal)
Maximum Particle Size
6.4mm( 1/4 ")
Suction Dry:
5.9m(19.3')
Suction Wet:
9.0m(29.5')

PERFORMANCE CHART

CONSTRUCTION

Wetted Materials
Stainless Steel SS316
Diaphragm Materials
Buna-N,Neoprene, Santoprene, Hytrel, PTFE, Polyurethane.
Air Valve
Polypropylene
Ball Materials
PTFE. Neoprene, 316SS.
Seat Materials
Polypropylene
O-ring Materials
Neoprene, PTFE, EPDM

Santoprene™ is a registered tradename of Exxon Mobile Corp.
Hytrel® is a registered tradename of dupont™

SHIPPING

Maximum Height
480mm(18.9")
Maximum Width
270mm(10.6")
Maximum Depth
490mm(19.3")
Weight: Stainless Steel SS316
25.5 Kg

DIMENSIONS