11/2 Inch Aluminium CLAMPED

AOD 40 PF AL

TYPICAL APPLICATIONS

Acids & Bases Plating Solutions, Waste Water, Paints, Inks, Solvents, Ceramic Slip and Glaze, Lubricants and Oils, Dairy, Meat & Poultry Processing, Personal Care

TYPICAL INDUSTRIES

Mining, Paints and Coating, Ceramics, Pulp and Paper, Electroplating & Anodizing, Waste water, Marine, Chemical Manufacturing & Distribution, Oil & Gas, Food & Beverage, OEM'S

AIR VALVE ASSEMBLY OPTIONS

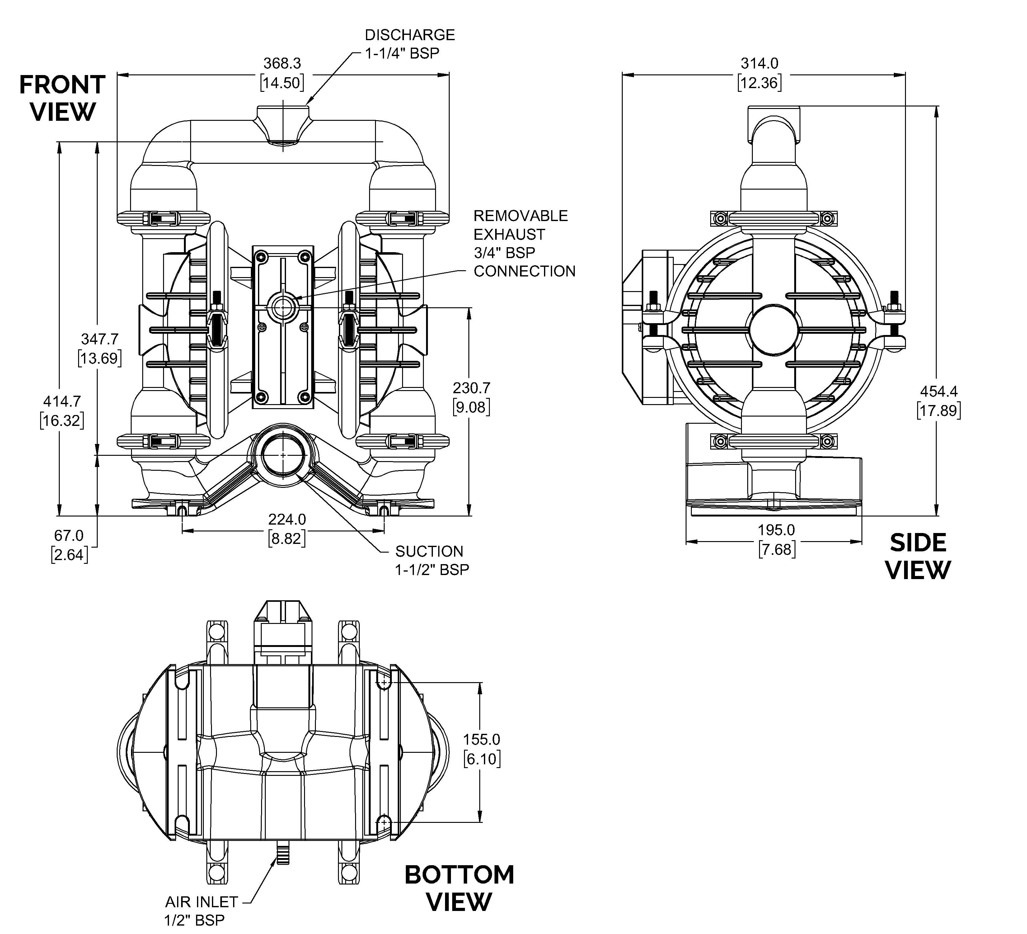
SPECIFICATIONS

Suction & Discharge Size
1-1/2" X 1- 1/4 "
Standard Porting Location
Centre
Connection Types
BSP / NPT
Air Inlet & Air Exhaust Size:
13mm(1/2") x 19mm (3/4")
Maximum Flow Rate
308lpm(81gpm)
Maximum Air Supply Pressure
100 psi (6.9 bar)
Displacement Per Stroke
1.0l (0.27gal)
Maximum Particle Size
4.8mm(3/16")
Suction Dry:
7.1m(23.3')
Suction Wet:
8.6m(28.4')

PERFORMANCE CHART

Note: Full Stroke diaphragm allows performance to be equal for all elastormers.

CONSTRUCTION

Wetted Materials
Aluminum
Diaphragm Materials
Buna-N,Neoprene, Santoprene, Hytrel, PTFE, Polyurethane.
Air Valve
polypropylene
Ball Materials
PTFE. Neoprene, 316SS.
Seat Materials
polypropylene
O-ring Materials
Neoprene, PTFE, EPDM

Santoprene™ is a registered tradename of Exxon Mobile Corp.

Hytrel® is a registered tradename of dupont™

SHIPPING

Maximum Height
590mm(23.23")
Maximum Width
370mm(14.57")
Maximum Depth
500mm(19.68")
Weight: Aluminum
24.5 Kg

DIMENSIONS