11/2 Inch Stainless Steel 316 BOLTED

AOD 400 PF SS

TYPICAL INDUSTRIES

Mining, Paints and Coating, Ceramics, Pulp and Paper, Electroplating & Anodizing, Waste water, Marine, Chemical Manufacturing & Distribution, Oil & Gas, Food & Beverage, OEM'S

AIR VALVE ASSEMBLY OPTIONS

SPECIFICATIONS

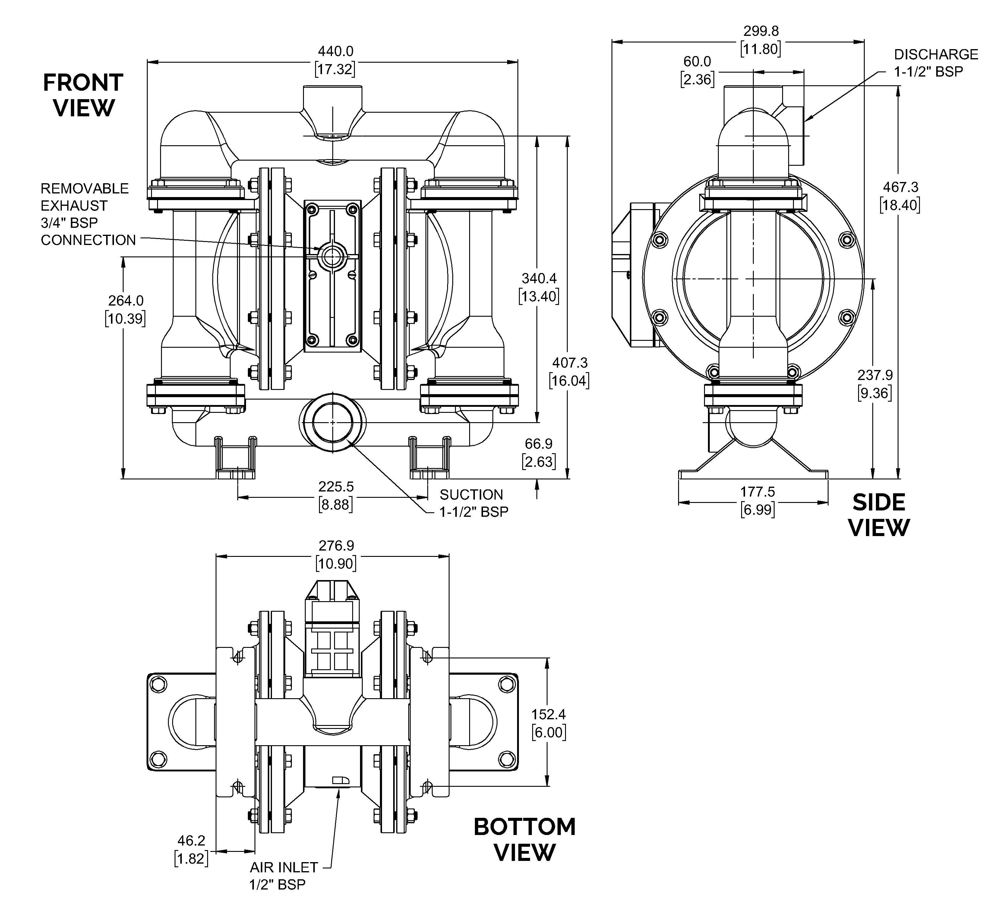
Suction & Discharge Size
1-1/2" X 1-1/2"
Standard Porting Location
centre
Connection Types
BSP / NPT
Air Inlet & Air Exhaust Size:
13mm(1/2") x 19mm (3/4")
Maximum Flow Rate
510lpm(135gpm)
Maximum Air Supply Pressure
120 psi (8.3 bar)
Displacement Per Stroke
1.1l (0.28 gal)
Maximum Particle Size
6.4mm( 1/4 ")
Suction Dry:
5.6m(18.4')
Suction Wet:
9.0m(29.5')

PERFORMANCE CHART

Note: Full Stroke diaphragm allows performance to be equal for all elastormers.

CONSTRUCTION

Wetted Materials
Stainless Steel SS316
Diaphragm Materials
Buna-N,Neoprene, Santoprene, Hytrel, PTFE, Polyurethane.
Air Valve
Polypropylene
Ball Materials
PTFE. Neoprene, 316SS.
Seat Materials
Polypropylene
O-ring Materials
Neoprene, PTFE, EPDM

Santoprene™ is a registered tradename of Exxon Mobile Corp.
Hytrel® is a registered tradename of dupont™

SHIPPING

Maximum Height
540mm(21.26")
Maximum Width
400mm(15.75")
Maximum Depth
450mm(17.72")
Weight: Stainless Steel 316
50.5 Kg

DIMENSIONS

LITERATURE