2 Inch Aluminium Bolted

AOD 500 PF AL

TYPICAL INDUSTRIES

Mining, Paints and Coating, Ceramics, Pulp and Paper, Electroplating & Anodizing, Waste water, Marine, Chemical Manufacturing & Distribution, Oil & Gas, Food & Beverage, OEM'S

AIR VALVE ASSEMBLY OPTIONS

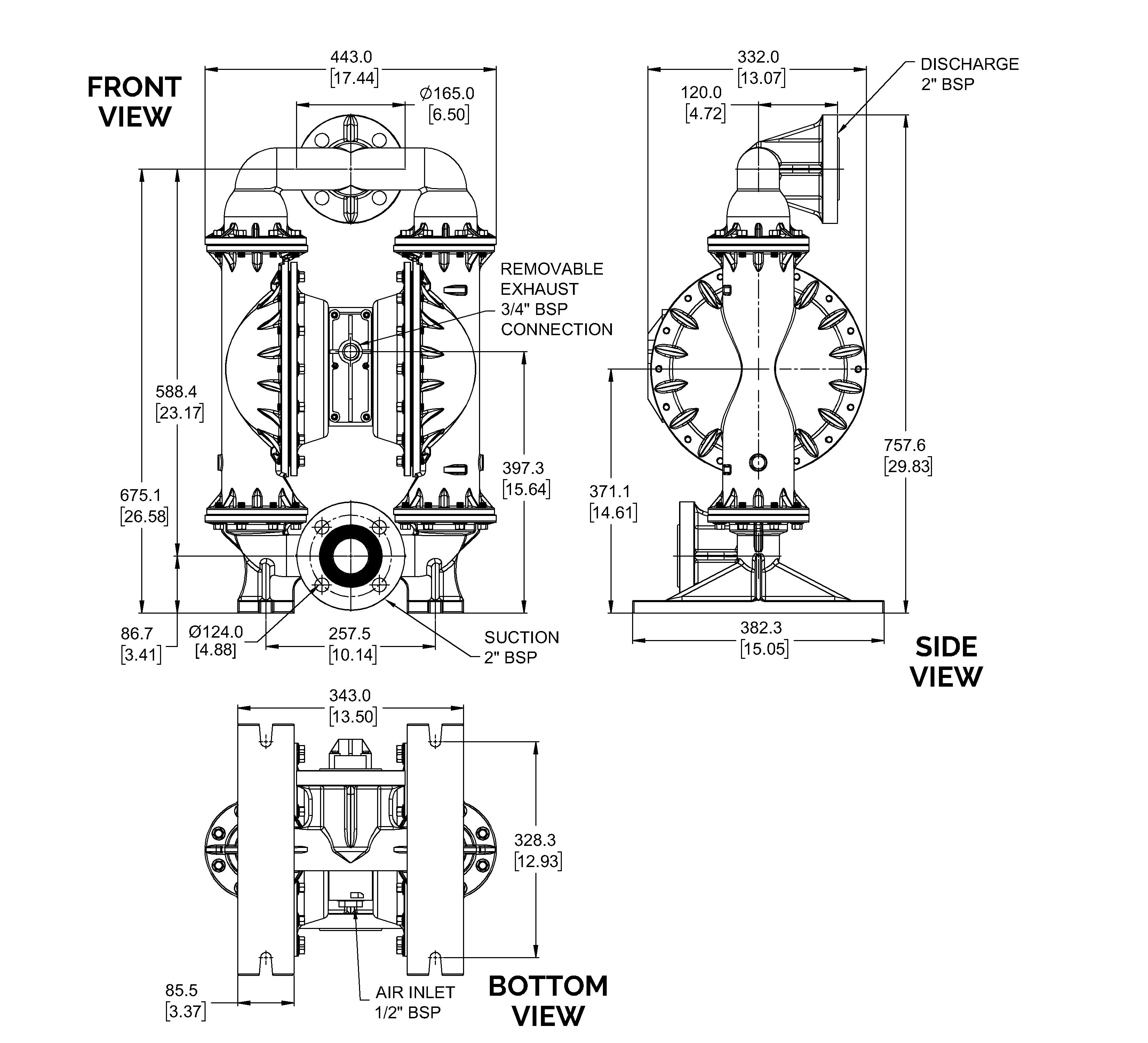
SPECIFICATIONS

Suction & Discharge Size
2" X 2"
Standard Porting Location
centre
Connection Types
BSP / NPT
Air Inlet & Air Exhaust Size:
13mm(1/2") x 19mm (3/4")
Maximum Flow Rate
685lpm(181gpm)
Maximum Air Supply Pressure
120 psi (8.3 bar)
Displacement Per Stroke
2.75l (0.73 gal)
Maximum Particle Size
6.4mm( 1/4 ")
Suction Dry:
6.4m(21.0')
Suction Wet:
8.6m(28.4')

PERFORMANCE CHART

Note: Full Stroke diaphragm allows performance to be equal for all elastormers.

CONSTRUCTION

Wetted Materials
Aluminum
Diaphragm Materials
Buna-N, Neoprene.
Air Valve
Polypropylene
Ball Materials
PTFE. Neoprene, 316SS.
Seat Materials
Polypropylene
O-ring Materials
Neoprene, PTFE, EPDM

Santoprene™ is a registered tradename of Exxon Mobile Corp.
Hytrel® is a registered tradename of dupont™

SHIPPING

Maximum Height
Maximum Width
Maximum Depth
Weight: Aluminum

DIMENSIONS