3 Inch Aluminum clamped

AOD 80 PF AL

TYPICAL INDUSTRIES

Mining, Paints and Coating, Ceramics, Pulp and Paper, Electroplating & Anodizing, Waste water, Marine, Chemical Manufacturing & Distribution, Oil & Gas, Food & Beverage, OEM'S

AIR VALVE ASSEMBLY OPTIONS

SPECIFICATIONS

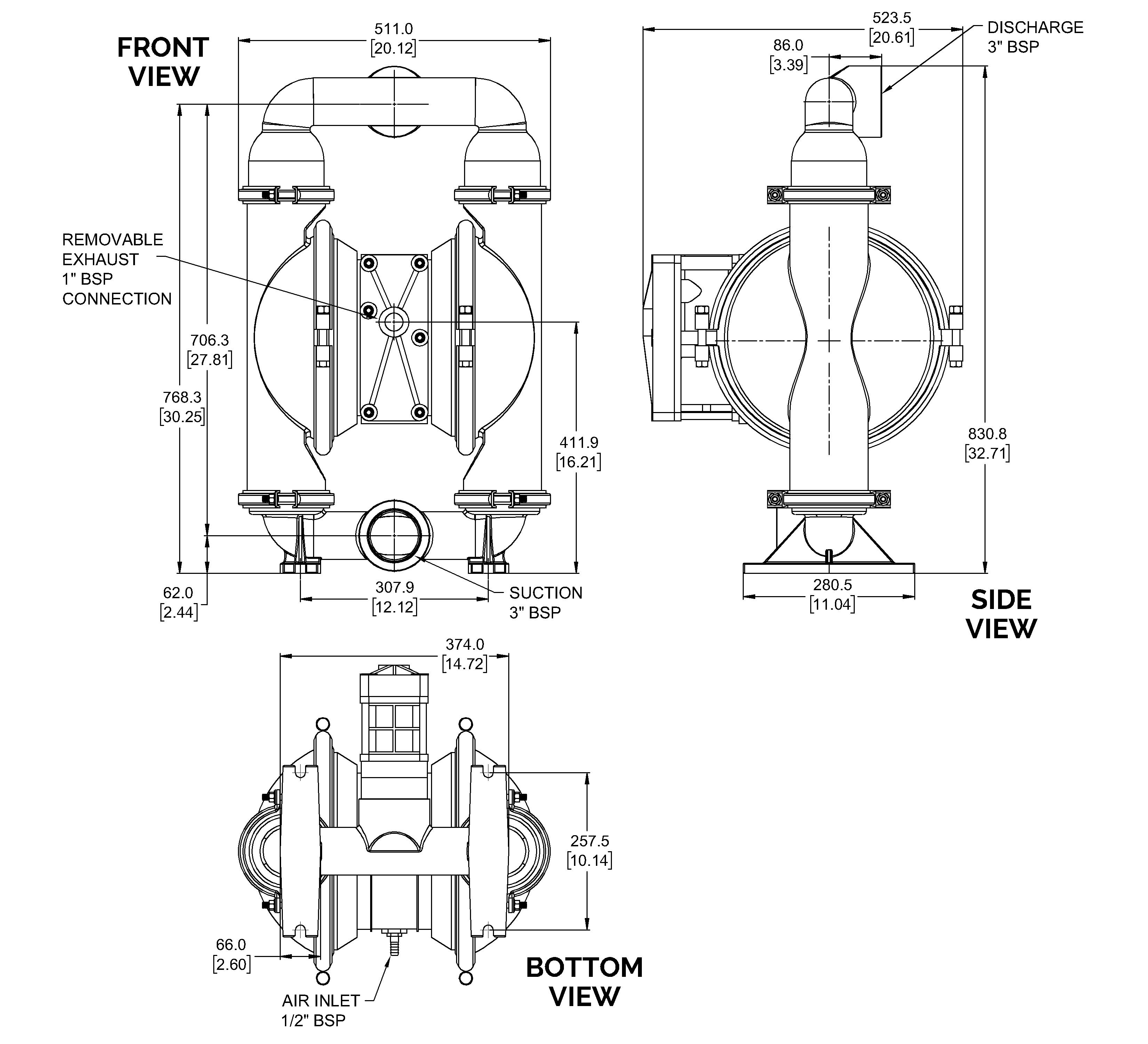
Suction & Discharge Size:
3" X 3"
Standard Porting Location:
Centre
Connection Types:
BSP / NPT
Air Inlet & Air Exhaust Size:
13mm(1/2") X 25mm (1")
Maximum Flow Rate:
900lpm(238gpm)
Maximum Air Supply Pressure:
100 psi (6.9 bar)
Displacement Per Stroke:
5.2 l (1.38 gal)
Maximum Particular size:
9.5mm(3/8")
Suction Dry:
6.6m(21.6')
Suction Wet:
8.6m(28.4')

PERFORMANCE CHART

Note: Full Stroke diaphragm allows performance to be equal for all elastormers.

CONSTRUCTION

Wetted Materials
Aluminum
Diaphragm Materials
Buna-N,Neoprene, Santoprene, Hytrel, PTFE, Polyurethane.
Air Valve
Polypropylene
Ball Materials
PTFE. Neoprene, 316SS.
Seat Materials
Polypropylene
O-ring Materials
Neoprene, PTFE, EPDM

Santoprene™ is a registered tradename of Exxon Mobile Corp.
Hytrel® is a registered tradename of dupont™

SHIPPING

Maximum Height:
870mm(34.25")
Maximum Width:
470mm(18.50")
Maximum Depth:
510mm(20.07")
Weight: Aluminum
56 kg

DIMENSIONS

LITERATURE