1 Inch Polyprolene Bolted

AOD 300 AF PP

TYPICAL INDUSTRIES

Mining, Paints and Coating, Ceramics, Pulp and Paper, Electroplating & Anodizing, Waste water, Marine, Chemical Manufacturing & Distribution, Oil & Gas, Food & Beverage, OEM'S

AIR VALVE ASSEMBLY OPTIONS

SPECIFICATIONS

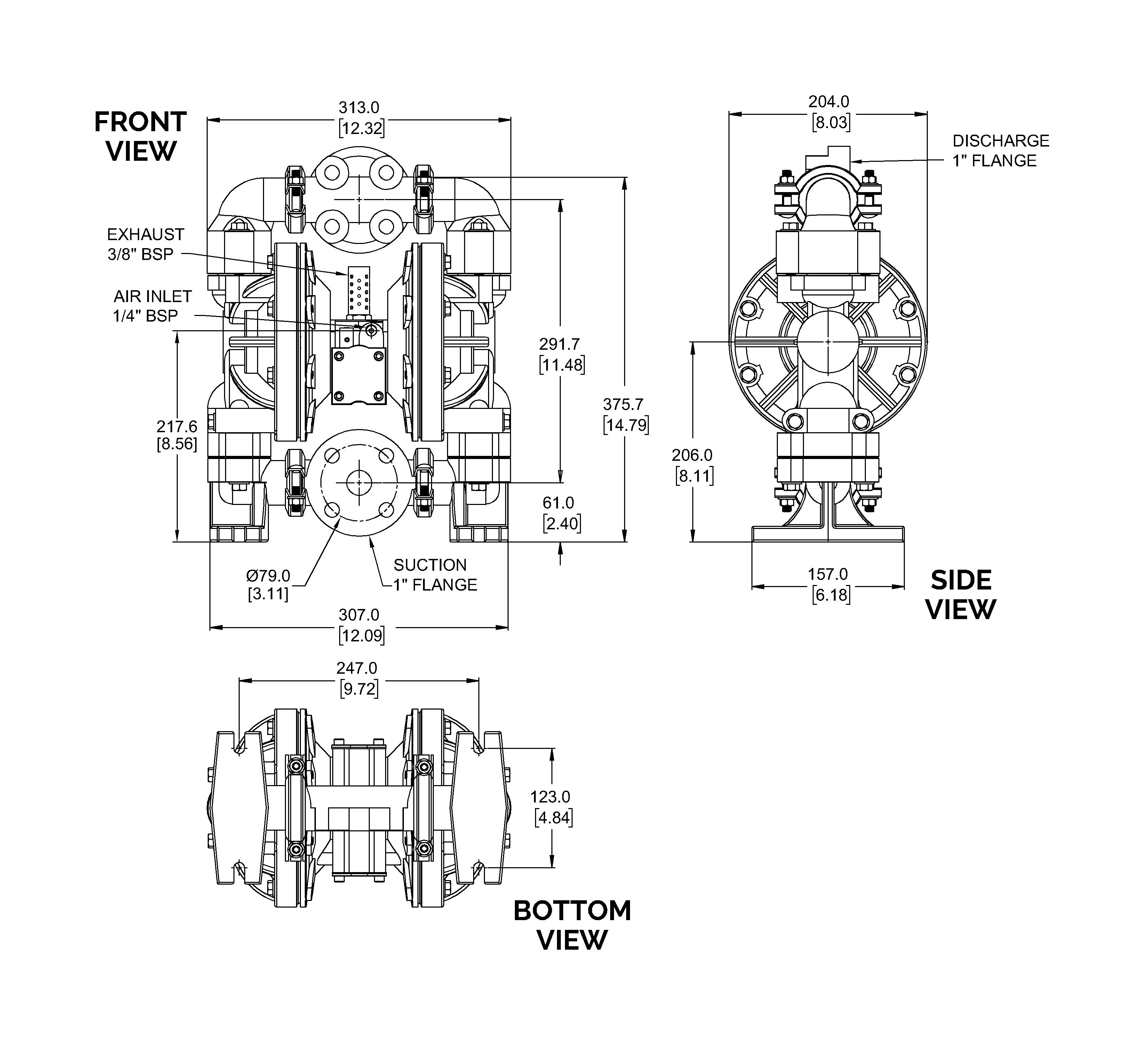
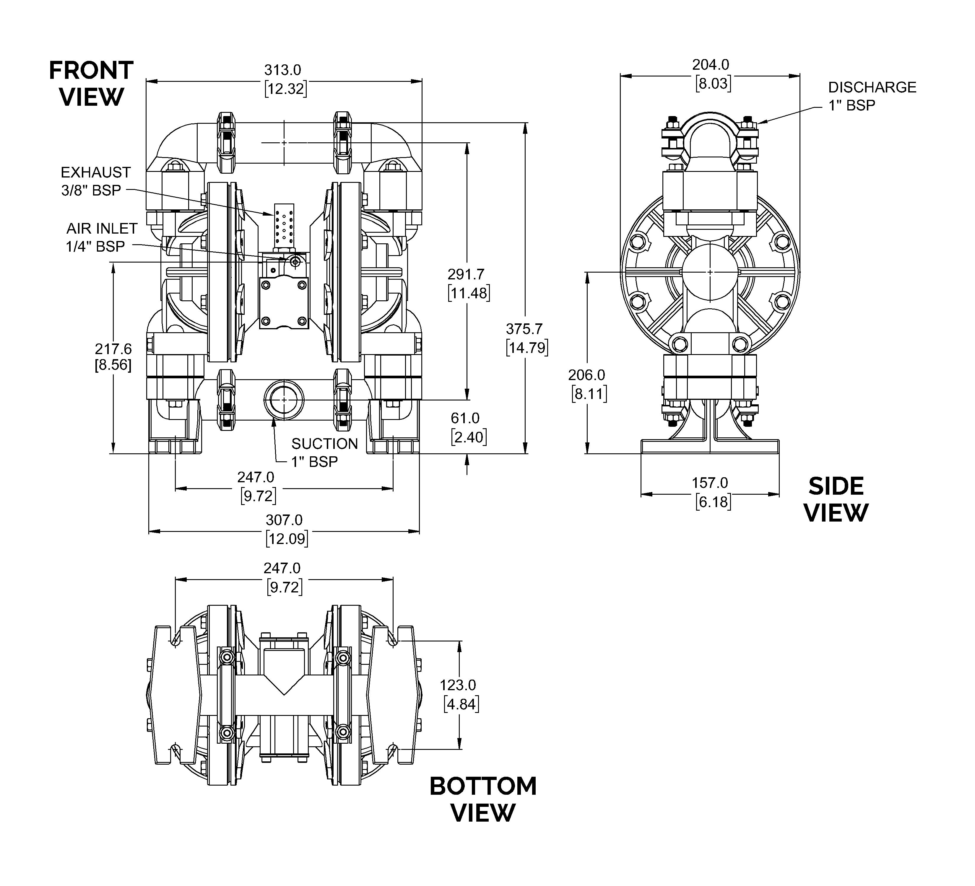
Suction & Discharge Size
1" X 1"
Standard Porting Location
Centre
Connection Types
ANSI
Air Inlet & Air Exhaust Size:
6mm( 1/4 ") X 9.5mm (3/8")
Maximum Flow Rate
135lpm(36gpm)
Maximum Air Supply Pressure
120 psi (8.3 bar)
Displacement Per Stroke
0.60l (0.16 gal)
Maximum Particle Size
3.17mm(1/8")
Suction Dry:
6.1m(20')

PERFORMANCE CHART

Note: Full Stroke diaphragm allows performance to be equal for all elastormers.

CONSTRUCTION

Wetted Materials
Polypropylene
Diaphragm Materials
Buna-N,Neoprene, Santoprene, Hytrel, PTFE, Polyurethane.
Air Valve
Aluminum
Ball Materials
PTFE. Neoprene, 316SS.
Seat Materials
Polypropylene
O-ring Materials
Neoprene, PTFE, EPDM

Santoprene™ is a registered tradename of Exxon Mobile Corp.
Hytrel® is a registered tradename of dupont™

SHIPPING

Maximum Height
440mm(17.32")
Maximum Width
310mm(12.2")
Maximum Depth
370mm(14.57")
Weight: Polypropylene
11 Kg

DIMENSIONS

LITERATURE